logo

제품 세부 정보

Created with Pixso. Created with Pixso. 상품 Created with Pixso.
낮은 전압 보호 장치
Created with Pixso.

견고한 황동 하우징 HMI 터치 패널 시소 전기자 1250W 11-12110-00

견고한 황동 하우징 HMI 터치 패널 시소 전기자 1250W 11-12110-00

브랜드 이름: Emerson
모델 번호: 11-12110-00
MOQ: 1
가격: 협상 가능
지불 조건: L/C, D/A, D/P, T/T, 웨스턴 유니온, 머니그램
공급 능력: 재고 있음
자세한 정보
원래 장소:
미국
인증:
CE
포장 세부 사항:
새로운 원상자
공급 능력:
재고 있음
제품 설명
상세 제품 설명
브랜드: Emerson 모델: 11-12110-00
원산지: 11-12110-00 AC: 120/240/480/600VAC
W: 1250W 포장: 상자
하이라이트:

hmi 디스플레이 터치 스크린

,

산업용 hmi 패널

 

 

HMI 터치 스크린 Emerson GO SWITCH 11-12110-00 1250W 120/240/480/600VAC 1/2인치 NPT

 

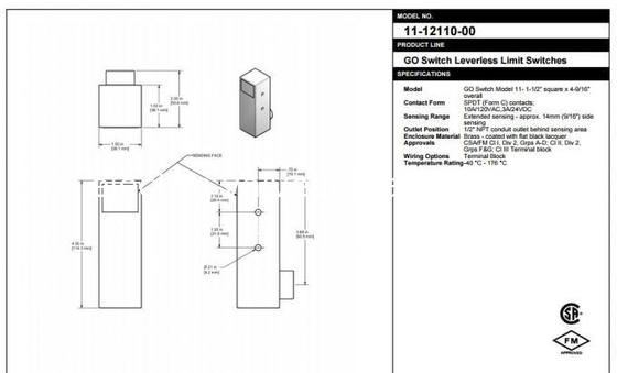
GO Switch 모델 11은 견고한 인클로저와 글로벌 승인을 특징으로 합니다. 접점은 10암페어 정격입니다. 습하거나 가혹한 환경에는 스테인리스 스틸 인클로저를 권장합니다. 모든 스위치에는 와셔와 너트가 있는 둥근 머리 장착 나사가 포함되어 있습니다. 원래 레버리스 리미트 스위치인 GO Switch 모델 11은 밀봉된 금 도금 접점, 비접촉 감지 및 사각 스위치 디자인(38mm x 38mm x 116mm 높이)의 스냅 액션 응답을 특징으로 합니다. 모든 GO 스위치와 마찬가지로 A/C 또는 D/C, N/O 또는 N/C로 배선할 수 있으며 작동에 전력을 소비하지 않으며 누설 전류 또는 전압 강하가 없습니다.

견고한 황동 또는 스테인리스 스틸 인클로저로 제공되는 GO Switch 모델 11은 물리적 손상, 습기 및 부식 물질을 견딜 수 있습니다. 고전류 또는 저전류에 적합한 SPDT 10amp 접점과 표준 10mm 측면 감지, 최대 14mm 확장 감지 또는 6mm 정밀 감지를 제공합니다. Zone 0, 1 또는 2(Div 1 & 2) 방폭 애플리케이션에 적합하며 최대 176°C의 온도를 견딜 수 있으며 최대 132미터까지 잠수할 수 있습니다.

모델 11의 단순한 디자인, 견고한 인클로저, 긴 감지 범위, 배선의 유연성 및 글로벌 승인은 안정적인 위치 감지가 필요한 모든 곳에서 이상적인 선택입니다.

장점:

  • 견고한 황동 또는 스테인리스 스틸 하우징은 물리적 손상, 습기, 폭발성 및 부식성 환경을 견딥니다.
  • 시소 아머처는 스냅 액션과 견고한 접촉 압력을 제공하여 고진동 응용 분야에서 '접촉 티징' 및 '접촉 채터'를 제거합니다.
  • 고강도 SPDT 접점 정격 10amp/120VAC, 3amp/24VDC, .5amp/125VDC
  • 표준 온도 -40°C ~ 105°C, 고온 옵션 최대 176°C
  • Zone 0, 1 또는 2(Division 1 & 2) 방폭 애플리케이션에 적합
  • 10암페어 정격의 세계 유일의 방폭 근접 스위치

 

 

자기 센서: 센서 유형 - 유도 자기 센서; 응용 분야 - 철 금속 감지; 하우징-장착 스타일 - 블록; 감지 위치 - 측면; 전선 - 3W; 출력 모드 - SPDT; 재질 - 하우징 - 황동, 흑색 래커; 연결 유형 - 도관 배출구; 연결 크기 - 1/2" NPT; 인클로저 등급 - Class 1, Div. 2; 작동 온도 - -40 ~ 177 deg C -40 ~ 350 deg F; 추가 정보 - 감지 거리: 14 mm. 대상 자석 포함: 95 mm(미포함); 제조업체 시리즈 - GO Switch 10 시리즈

 

추가 정보: 감지 거리: 14 mm. 대상 자석 포함: 95 mm(미포함)

 

견고한 황동 하우징 HMI 터치 패널 시소 전기자 1250W 11-12110-00 0

 

사양:

센서 유형: 자기 센서
응용 분야: 철 금속 감지
하우징-장착 스타일: 블록
감지 위치: 측면
전선: 3W
출력 모드: SPDT
재질 - 하우징: 황동, 흑색 래커
연결 유형: 도관 배출구
연결 크기: 1/2인치 NPT
인클로저 등급: Class 1, Div. 2
작동 온도: -40 ~ 177도 C(-40 ~ 350도 F)

 

 

유사 모델:

81-20546-A2 81-20516-A2
7E-33658-DCA 7G-13529-B3
73-1352T-A2 73-13523-A2
73-13524-A2 11-11524-A2