logo

제품 세부 정보

Created with Pixso. Created with Pixso. 상품 Created with Pixso.
낮은 전압 보호 장치
Created with Pixso.

Phoenix MACX MCR-T-UI-UP 2811394 temperature measurement module has high accuracy

Phoenix MACX MCR-T-UI-UP 2811394 temperature measurement module has high accuracy

브랜드 이름: Phoenix
모델 번호: 2811394
MOQ: 1
가격: Negotiations
자세한 정보
원래 장소:
독일
최대 동작 초과 전압:
30V AC/DC
맥스. 전환 전류:
1A(30V DC)
최대. 전류 출력 신호:
22 마
부하/출력 부하 전압 출력:
≥ 10kΩ
포장 세부 사항:
새로운 원본 상자
강조하다:

Phoenix temperature measurement module

,

high accuracy temperature module

,

low voltage protection temperature sensor

제품 설명
Phoenix MACX MCR-T-UI-UP 2811394 temperature measurement module has high accuracy
Phoenix MACX MCR-T-UI-UP 2811394 temperature measurement module has high accuracy 0
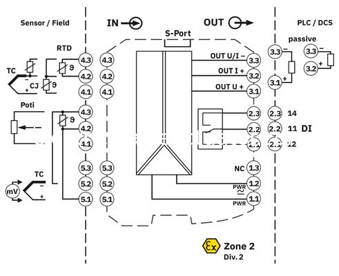
The Phoenix MACX MCR-T-UI-UP (Part No. 2811394) is a high-performance temperature measurement module that stands out for its exceptional accuracy, making it ideal for precision-critical industrial applications. Engineered to deliver reliable temperature detection and signal processing, this module seamlessly integrates with various temperature sensors to convert raw data into stable, industry-standard outputs, ensuring consistent and precise readings even in demanding operating environments. Its compact design and robust build enable easy integration into existing industrial control systems, catering to the needs of process control, manufacturing, and machinery monitoring where accurate temperature measurement is vital for operational efficiency and safety.